AF-C
自動再生型フィルタ|オートエアフィルタ
AF-C オートエアフィルタ(大型多グループシステム対応可能)

集じんシステム
個々集じん、または集中集じんシステム
特長
1969 年発売以来、地下鉄、浄水場、下水処理場、オフィスビル、工場、病院、デパート、パチンコ店などさまざまな現場で、実績のあるスタンダードタイプです。

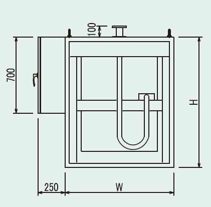
AF-C基本型式例
1連型

2連型

3連型
横幅5,700mm以上は横幅型名3桁以上(AF-C-5554Y-ⅢJなど)
仕様
| 外形 | 構造 | チャンバー接続型 | |
|---|---|---|---|
| 表面処理 | メラミン樹脂焼付塗装仕上 日本塗料工業会 CN-60(マンセルN-6) | ||
| 横幅(W) | 1連型 900 ~ 2,700mm、2連型 3,000 ~ 5,400mm | ||
| 高さ(H) | 1連型 1,000 ~ 4,000mm、2連型 1,000 ~ 4,000mm | ||
| 奥行 | 580mm | ||
| 性能 | 使用 環境 |
温度 | -15~40℃ |
| 湿度 | 90%RH以下 ただし結露や氷結のないこと | ||
| 風速 | 2 ~ 3m/s | ||
| 捕集率 | JIS B9908 形式3 の試験法にて65%以上( 国土交通省仕様に準ずる) | ||
| 圧力 損失 |
初期値 | 118Pa( 風速2.5m/s) 以下 | |
| 上限設定値 | 236Pa( 風速2.5m/s) 以下 | ||
| 電源 | 標準AC200V 3φ 50/60Hz | ||
| ろ材 | 材質 | アクリル合成繊維( 難燃処理)、繊維の長さは5mm 以上 | |
| 再生 | 駆動伝達方法 | チェーン駆動 | |
| 再生方法 | 真空掃除機にて自動吸引 | ||
| 制御方法 | タイマー制御 | ||
| 制御盤 | 差圧計 | 0 ~ 500Pa | |
| スイッチ | 手動運転・自動運転 | ||
| 表示灯 | 電源・運転・過電流・フィルタ異常差圧 | ||
